Bufor 200l z górną wężownicą CWU




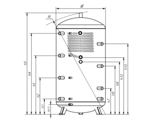
Wysokość: 138 cm
Średnica z izolacją: 67,4 cm
Średnica bez izolacji: 50,2 cm
Pojemność rzeczywista: 225 l
Powierzchnia wężownicy CWU: 2 m²
Maksymalna temperatura: 95°C
Maksymalne ciśnienie pracy zbiornika: 5 bar
Ilość przyłączy 6/4”: 8
Średnica przyłącza wężownicy CWU: 1”
Możliwość podłączenia grzałki elektrycznej: Tak
Dostępny
Wysyłka w 24h
5 lat gwarancji + dodatkowe 5 lat (przy zainstalowaniu zbiornika w układzie zamkniętym)
Dokumenty do pobrania:
Bufor 200 litrów z wężownicą CWU o powierzchni 2 m² to praktyczne rozwiązanie, które łączy w sobie funkcję sprzęgła hydraulicznego/ magazynu ciepła oraz przygotowania ciepłej wody użytkowej w trybie przepływowym. Dzięki temu nie ma potrzeby montowania osobnego zasobnika CWU – jedno urządzenie spełnia podwójną rolę, oszczędzając miejsce w kotłowni i upraszczając układ instalacji.
Wężownica umieszczona w górnej części zbiornika zapewnia szybki dostęp do ciepłej wody, co jest szczególnie korzystne przy mniejszym zapotrzebowaniu lub krótkotrwałych poborach. Z kolei sam zbiornik stabilizuje instalację grzewczą, wyrównuje przepływy i może pełnić funkcję wsparcia dla różnych źródeł ciepła – od kotłów gazowych i stałopalnych, przez pompy ciepła, aż po instalacje wspierane fotowoltaiką.
Dużym atutem tego modelu jest możliwość montażu nawet trzech grzałek elektrycznych, co pozwala w pełni wykorzystać nadwyżki energii elektrycznej i przekształcić je w ciepło. Bufor 200l z wężownicą CWU 2 m² sprawdzi się zarówno jako kompaktowy zasobnik CWU, jak i jako sprzęgło hydrauliczne dla mocniejszych źródeł grzewczych, zapewniając elastyczność zastosowania.
Dlaczego warto?
✅ Wężownica CWU w górnej części – szybki dopływ ciepłej wody przy mniejszych poborach
✅ Możliwość montażu aż trzech grzałek elektrycznych – idealne wsparcie instalacji PV
✅ Sprzęgło i CWU w jednym zbiorniku – mniej armatury, prostszy montaż
✅ Niskie straty postojowe dzięki pracy w trybie przepływowym
✅ Uniwersalne zastosowanie – współpraca z kotłami, pompami ciepła i innymi źródłami

Szybkość nagrzania od 30 do 50 stopni

O tyle zmniejszy się liczba uruchomień pompy ciepła

Energia cieplna

Woda użytkowa
✅Wysokość: 138 cm
✅Średnica z izolacją: 67,4 cm
✅Średnica bez izolacji: 50,2 cm
✅Pojemność rzeczywista: 225 l
✅Powierzchnia wężownicy CWU: 2 m²
✅Maksymalna temperatura: 95°C
✅Maksymalne ciśnienie pracy zbiornika: 5 bar
✅Maksymalne ciśnienie pracy wężownicy CWU: 10 bar
✅Ilość przyłączy 6/4”: 8
✅Średnica przyłącza wężownicy CWU: 1”
✅Możliwość podłączenia grzałki elektrycznej: Tak
✅Klasa efektywności energetycznej: B
*Izolacja zdejmowalna
Etykieta energetyczna
Karta produktu
Karta gwarancji
Deklaracja zgodności producenta
Faktura VAT 23%
Kupując bufor higieniczny model PSI-10 o pojemności 200 l, otrzymujesz fabrycznie nowy, w solidnej izolacji, starannie zabezpieczony i zafoliowany na czas transportu.
Do zestawu dołączamy komplet dokumentów potwierdzających jakość i zgodność produktu. Dzięki temu masz pewność, że bufor spełnia wszystkie wymogi programów Mój Prąd 6.0 i Czyste Powietrze, co umożliwia łatwe uzyskanie dofinansowania.
